PRODUCT
 MOTOR
  Stepping motor
  Hybrid Stepping Motor
  Motion Board/LSI Chip
  Synchronous Motor
  Timer
  DC Motor
  DC Geared Motor
  DC Coreless Motor
  DC Brushless Motor
  Fan Motor
  AC/DC Blower
  Vibration Motor
  Solenoid
  Solenoid Valve
  AC/DC Pump
  AC Motor
  WATER-PROOF Motor
  Servo motor
 ½áº¸¸ðÅͰ¨¼Ó±â
  MOTOR VARIO
  SIMPO
  NISSEI
  Á¦ÈÞȸ»ç (A to Z)
 ÀϺ»Á¦ÈÞȸ»ç¸®½ºÆ®
  NIHON Bearing
  IKO
  GTR
  FUJI SEIKI
  IMAO Corporation
  KHK
  IWATA MFG
  KONDO SEISAKUSHO
  NBK
  SHOWA DENKI
  MYOTOKU
  SUMITOMO
  ±âŸ¿Ü ´Ù¼ö
¢º ÇöÀçÀ§Ä¡ : HOME > MOTOR > Solenoid motor > SOL-102MD/CD
Rated Stroke Force Range :15mm
Rated Pulling Under : 1.0kg
Rated Voltage  : AC 110V, 220V 50/60Hz
ï³×µö·  :

ÜÁò¥ï³×µ ã·ÔÑï³×µ
AC110 AC220V AC100V AC220v
50Hz 242mA 121mA 2.45A 1.21A
60HZ 198mA 100mA 2.2A 1.1A
Coil Temperature Rise  Under : 85 deg
ÞÅéÄÞºÓø : 80üÞ /Ý ------ 0.5kg
60üÞ /ÝÂ ------ 0.6kg
40üÞ /ÝÂ ------ 0.7kg
20üÞ /ÝÂ ------ 0.8kg
 
[Ư¡]
1. RAIL,CASE °ø¹ý¿¡ ÀÇÇÑ EPOXY ÁÖÀÔÇüÀ¸·Î ³»¿­¼º, ³»¼ö¼º, ³»À¯¼º, ³»Ãæ°Ý¼ºµîÀÌ
¿ì¼öÇÑ Á¦Ç°ÀÌ´Ù.
2. CASE TAPEÀº ¿ÜºÎÁ¢ÃËÀ¸·Î ºÎÅÍ RAIL CASE°¡ COILÀ» º¸È£Çϰí ÀÖ´Â Á¦Ç°ÀÌ´Ù.
3. Nylon¼öÁöÇü Coilº¸ºóÀº Plunger Guide¿Í ÀÏüȭ·Î ¼ºÇüµÇ¾î ÀÖ¾î Àü±âÀû ±â°èÀû
Ư¼ºÀ» Çâ»ó ½ÃŲ Á¦Ç°ÀÌ´Ù.
 
[DS-102MD/CD TYPE ¼Ö·¹³ëÀ̵åÀÇ Æ¯Â¡]
    
 
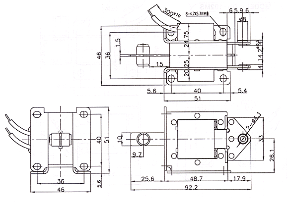
[DS-102MD/CD TYPE ¼Ö·¹³ëÀ̵åÀÇ ¿ÜÇüµµ]
 
 
  MEANWELL SMPS
   Enclosed Type
   Open Frame Type
   Medical Open Frame
   External Type
   Video Game¿ë
   ATX PC Power¿ë
 DC/DC Converter
   Module Type
   On Board Type
   PCB Type
   Enclosed Type
 DC/AC Inveter
   DC/DC SMPS

  SENSOR & TR
 APM Pressure Sensor
   ATP 100
   ATP 150
   15psi-Dip Type
   1psi-Dip Type
   5.8psi-Dip Type
 JPC PARTS
   DELAY LINES(ACTIVE)
   DELAY LINES(PASSIVE)
   LC & ACTIVE FILTERS
   DC-DC Converter
   LAN PRODUCTS
   PULSE UNITS
Ȩ | ȸ»ç¼Ò°³ | °í°´¹®ÀÇ °Ô½ÃÆÇ | À̸ÞÀÏÁÖ¼Ò ¹«´Ü¼öÁý °ÅºÎ | °ü¸®ÀÚ¸ðµå | °Ô½ÃÆÇ°ü¸®
»ç¾÷ÀÚ µî·Ï¹øÈ£ : 675-87-00071 / ¼­¿ï½Ã ¿µµîÆ÷±¸ ¾çÆòµ¿ 4°¡ 281, ¸£³×»ó½º ÇѰ­ ºôµù 1017È£
°³ÀÎÁ¤º¸ º¸È£Á¤Ã¥ - À̸ÞÀÏÁÖ¼Ò ¹«´Ü¼öÁý °ÅºÎ [(ÁÖ)Å×¶óÆ®·Ð ¸ðµçÀڷḦ µ¿ÀǾøÀÌ ¹«´Üº¹Á¦ ¹× Àç¹èÆ÷¸¦ ±ÝÇÔ´Ï´Ù.]
°í°´»ó´ã ¹× ´ëÇ¥ÀüÈ­ : 02-2068-4301, 4302 / FAX : 02-2068-4308
Copyright (C) 2005 TERATRON Corp. All rights reserved.   E-mail : teratronsale@naver.com