PRODUCT
 MOTOR
  Stepping motor
  Hybrid Stepping Motor
  Motion Board/LSI Chip
  Synchronous Motor
  Timer
  DC Motor
  DC Geared Motor
  DC Coreless Motor
  DC Brushless Motor
  Fan Motor
  AC/DC Blower
  Vibration Motor
  Solenoid
  Solenoid Valve
  AC/DC Pump
  AC Motor
  WATER-PROOF Motor
  Servo motor
 ½áº¸¸ðÅͰ¨¼Ó±â
  MOTOR VARIO
  SIMPO
  NISSEI
  Á¦ÈÞȸ»ç (A to Z)
 ÀϺ»Á¦ÈÞȸ»ç¸®½ºÆ®
  NIHON Bearing
  IKO
  GTR
  FUJI SEIKI
  IMAO Corporation
  KHK
  IWATA MFG
  KONDO SEISAKUSHO
  NBK
  SHOWA DENKI
  MYOTOKU
  SUMITOMO
  ±âŸ¿Ü ´Ù¼ö
¢º ÇöÀçÀ§Ä¡ : HOME > MOTOR > Solenoid motor > SF 280 ½Ã¸®Áî
»ç¿ëÀ¯Ã¼ ¾ÐÃà°ø±â
°üÁ¢¼Ó±¸°æ PT 1/8
À¯±³´Ü¸éÀû 12.6§± (0.6)
»ç¿ë¾Ð·Â 1.5~9kgf/§²
ÃÖ´ëÀÛµ¿ºóµµ 10cycle/sec
»ç¿ëÀ¯Ã¼¿Âµµ -15¡É~+10¡É
 
[Ư¡]
1. ¹«°áÀ¯ÇüÀ¸·Î ³»±¸¼ºÀÌ ¿ì¼öÇÕ´Ï´Ù.
2. ¼ÒÇü,°æ·®À̹ǷΠ¼³Ä¡ ¹× ¼ö¸®°¡ ¿ëÀÌÇÕ´Ï´Ù.
3. ¼öµ¿Á¶ÀÛºÎÀÇ PUSH.LOCK,ÄÚÀϺÎÀÇ ¸®µå¼± 󸮴 ´Ù¾çÇÕ´Ï´Ù.
(¸®µå¼±Çü, ÄܳØÅÍ·¥ÇÁÇü, Äܳ¼Å¸ Ç÷¯±×Çü)
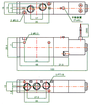
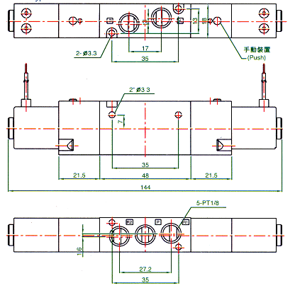
[SF 280 Valve Çü½Ä]
[Single Type ] [Double Type ]
 
[SF 280 Valve ¿ÜÇüµµ]
[Single Type ]
[Double Type ]


  MEANWELL SMPS
   Enclosed Type
   Open Frame Type
   Medical Open Frame
   External Type
   Video Game¿ë
   ATX PC Power¿ë
 DC/DC Converter
   Module Type
   On Board Type
   PCB Type
   Enclosed Type
 DC/AC Inveter
   DC/DC SMPS

  SENSOR & TR
 APM Pressure Sensor
   ATP 100
   ATP 150
   15psi-Dip Type
   1psi-Dip Type
   5.8psi-Dip Type
 JPC PARTS
   DELAY LINES(ACTIVE)
   DELAY LINES(PASSIVE)
   LC & ACTIVE FILTERS
   DC-DC Converter
   LAN PRODUCTS
   PULSE UNITS
Ȩ | ȸ»ç¼Ò°³ | °í°´¹®ÀÇ °Ô½ÃÆÇ | À̸ÞÀÏÁÖ¼Ò ¹«´Ü¼öÁý °ÅºÎ | °ü¸®ÀÚ¸ðµå | °Ô½ÃÆÇ°ü¸®
»ç¾÷ÀÚ µî·Ï¹øÈ£ : 675-87-00071 / ¼­¿ï½Ã ¿µµîÆ÷±¸ ¾çÆòµ¿ 4°¡ 281, ¸£³×»ó½º ÇѰ­ ºôµù 1017È£
°³ÀÎÁ¤º¸ º¸È£Á¤Ã¥ - À̸ÞÀÏÁÖ¼Ò ¹«´Ü¼öÁý °ÅºÎ [(ÁÖ)Å×¶óÆ®·Ð ¸ðµçÀڷḦ µ¿ÀǾøÀÌ ¹«´Üº¹Á¦ ¹× Àç¹èÆ÷¸¦ ±ÝÇÔ´Ï´Ù.]
°í°´»ó´ã ¹× ´ëÇ¥ÀüÈ­ : 02-2068-4301, 4302 / FAX : 02-2068-4308
Copyright (C) 2005 TERATRON Corp. All rights reserved.   E-mail : teratronsale@naver.com